400-8040668
产品中心
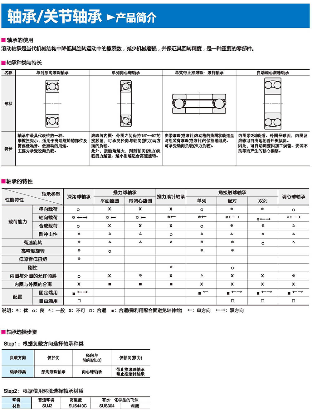
产品详情

留言我们

我们会在24小时内安排专人与您联系,并对您的信息严格保密。

推荐新品

CCW-P 单轴输出带键槽 经典型行星输入接转向器

输出端轴承采用圆锥滚子轴承,大大提高了产品轴向力。
输出轴形式新增了法兰盘面输出,底座安装,可用于大负载旋转平台应用使用。
伞齿采用高强度渗碳合金钢,磨齿工艺,有效保证了产品的使用精度及噪音。
速比任意配,接行星减速机速比可以最高可以做到2000速比。
箱体内部采用进口润滑脂,免维护保养。
箱体采用高强度铝合金,保证强度的同时整机安装更加轻便。

CCT-RF旋转法兰输出中空孔 经典型轴输入转向器

输出端轴承采用圆锥滚子轴承,大大提高了产品轴向力。
输出轴形式新增了法兰盘面输出,底座安装,可用于大负载旋转平台应用使用。
伞齿采用高强度渗碳合金钢,磨齿工艺,有效保证了产品的使用精度及噪音。
速比任意配,接行星减速机速比可以最高可以做到2000速比。
箱体内部采用进口润滑脂,免维护保养。
箱体采用高强度铝合金,保证强度的同时整机安装更加轻便。

VRB高精密型行星减速机

1.静音
使用斜齿轮实现顺畅安静的运转
2.高精度
背隙低于3公分、定位精确。
3.高刚性、高扭矩
使用整体式滚珠轴承,大大提高了刚性和扭矩。
4.法兰、连接器方式
可以安装到马达上。
5.无润滑脂泄漏
使用高粘度、不易分离的润滑脂,有效防止润滑脂泄漏
6.维护方便
在产品寿命期内无需更换润滑脂,安装更便捷。